Přihlašovací formulář
Přihlašovací jméno:
Přihlašovací heslo:




Zapomenuté heslo|Zaregistrovat se
+420 777 340 056, +420 770 699 007

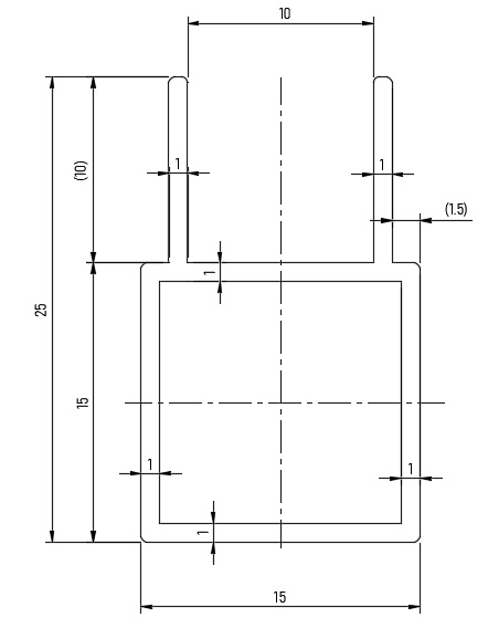
Hliníkový profil (HJ15H7)

Hliníkový profil (HJ15H7)
Délka:
Počet: ks
Cena za kus77   s DPH /m
Cena s DPH77 Kč
Cena bez DPH63.64 Kč
V případě řezu Vám bude započteno 8 Kč / řez.
DostupnostSkladem
Zadali jste špatnou hodnotu
Hlídat cenu
Zaslat dotaz
Popis a parametry
Hlídání ceny
Dotaz na prodejce

Hliníkový profil HJ15H7 je profil, který doplňuje řadu HJ15H a to možností k uchycení výplní do rohu. Tento profil lze použít nejen ke stavbě různých šuplíků, beden či přepravek, ale i ke stavbě různých krytů, regálů apod. Tento profil dodáváme v přírodní hliníkové barvě. Při krácení tohoto profilu v domácím prostředí doporučujeme kotouček na řezání hliníku.
Mezera mezi drážkami je 10mm.

Aktuální cena produktu je 77 Kč s dph
Váš e-mail  






PRo odběr novinek nám zanechejte svůj e-mail