Přihlašovací formulář
Přihlašovací jméno:
Přihlašovací heslo:




Zapomenuté heslo|Zaregistrovat se
+420 777 340 056, +420 770 699 007
  1. Hliníkové profily
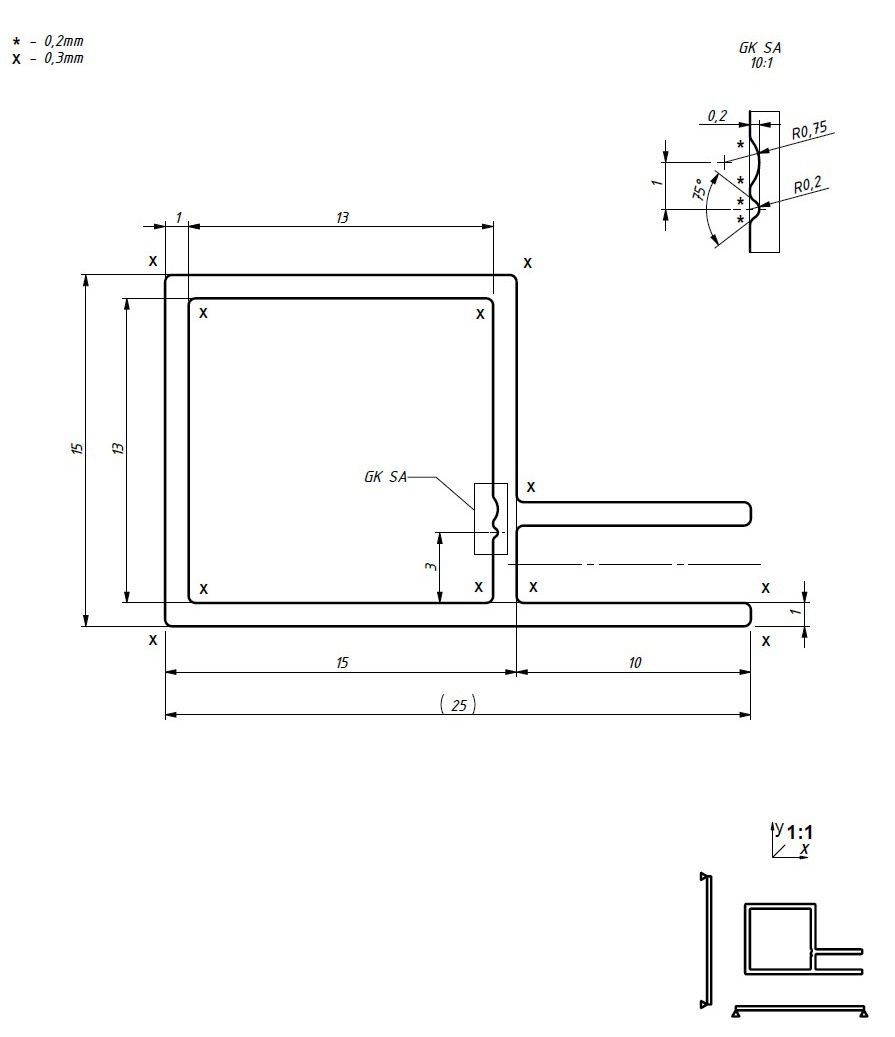
  2. Hliníkový profil 15x15x1mm
  3. Hliníkový profil (HJ15V1 černý elox.)

Hliníkový profil (HJ15V1 černý elox.)

Délka:
Počet: ks
Cena za kus71   s DPH /m
Cena s DPH71 Kč
Cena bez DPH58.68 Kč
V případě řezu Vám bude započteno 8 Kč / řez.
DostupnostSkladem
Zadali jste špatnou hodnotu
Hlídat cenu
Zaslat dotaz
Popis a parametry
Hlídání ceny
Dotaz na prodejce

Hliníkový profil se dvěma křidélky HJ15V1černý elox. Tento profil díky 3mm mezeře mezi křidélky nabízí spoustu možností využití. Do této mezery jdou vkládat hliníkové sendvičové desky, 3mm plexisklo, pěněné PVC, tvrzené PVC a dokonce i svařovaná síta.

Tento typ profilu je vhodný pro uchycení materiálů síly 3mm. Může se jednat o různé druhy plastů, plexiskel, sendvičových desek, hliníkových plechů a jiných. Některé možnosti výplní najdete v okně "desky, výplně".

Aktuální cena produktu je 71 Kč s dph
Váš e-mail  






PRo odběr novinek nám zanechejte svůj e-mail