Přihlašovací formulář
Přihlašovací jméno:
Přihlašovací heslo:




Zapomenuté heslo|Zaregistrovat se
+420 777 340 056, +420 770 699 007

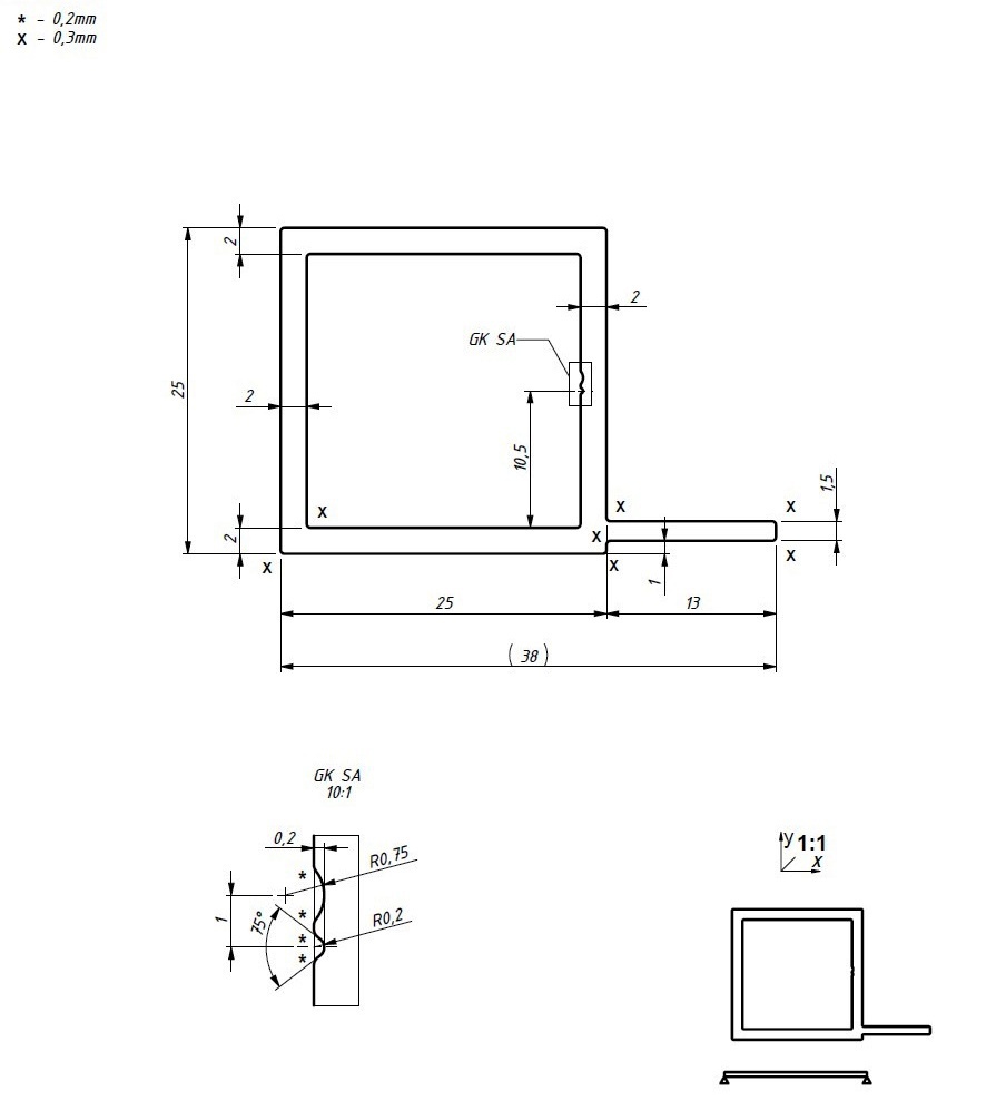
Hliníkový profil (HJ25K1 černý elox.)

Délka:
Počet: ks
Cena za kus183   s DPH /m
Cena s DPH183 Kč
Cena bez DPH151.24 Kč
V případě řezu Vám bude započteno 14 Kč / řez.
DostupnostSkladem
Zadali jste špatnou hodnotu
Hlídat cenu
Zaslat dotaz
Popis a parametry
Hlídání ceny
Dotaz na prodejce

Hliníkový profil 25x25mm. Jedná se o profil, kde síla stěny je 2mm. K tomuto profilu dodáváme spojky 25x25mm v různém provedení. Celou nabídku najdete na "plastové spojky 25x25". Váha jednoho metru tohoto profilu činí 0,5kg. Tento hliníkový profil dodáváme v přírodní, eloxované a nebo v černém eloxu.

Aktuální cena produktu je 183 Kč s dph
Váš e-mail  






PRo odběr novinek nám zanechejte svůj e-mail