Přihlašovací formulář
Přihlašovací jméno:
Přihlašovací heslo:




Zapomenuté heslo|Zaregistrovat se
+420 777 340 056, +420 770 699 007

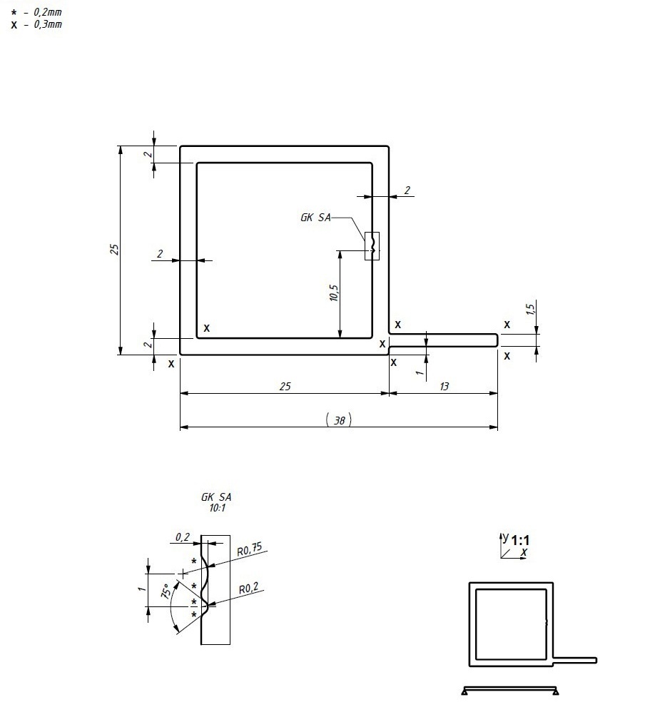
Hliníkový profil (HJ25K1)

Délka:
Počet: ks
Cena za kus121   s DPH /m
Cena s DPH121 Kč
Cena bez DPH100 Kč
V případě řezu Vám bude započteno 10 Kč / řez.
DostupnostSkladem
Zadali jste špatnou hodnotu
Hlídat cenu
Zaslat dotaz
Popis a parametry
Hlídání ceny
Dotaz na prodejce

Hliníkový profil 25x25mm. Jedná se o profil kde, síla stěny je 2mm. K tomuto profilu dodáváme spojky 25x25mm v různém provedení. Celou nabídku najdete na "plastové spojky 25x25". Váha jednoho metru tohoto profilu činí 0,5kg. Tento hliníkový profil dodáváme v přírodní hliníkové barvě.

Aktuální cena produktu je 121 Kč s dph
Váš e-mail  






PRo odběr novinek nám zanechejte svůj e-mail